logo
صفحه اصلی
محصولات
درباره ما
تور کارخانه
کنترل کیفیت
با ما تماس بگیرید
درخواست نقل قول
خانه محصولاتتوزین لودسل

سلول تک نقطه ای آلومینیومی 30KN ضد خوردگی

سلول تک نقطه ای آلومینیومی 30KN ضد خوردگی

Anti Corrosion Aluminum 30KN Single Point Load Cell
Anti Corrosion Aluminum 30KN Single Point Load Cell Anti Corrosion Aluminum 30KN Single Point Load Cell Anti Corrosion Aluminum 30KN Single Point Load Cell

تصویر بزرگ :  سلول تک نقطه ای آلومینیومی 30KN ضد خوردگی بهترین قیمت

جزئیات محصول:
گواهی: CE
شماره مدل: AM006
پرداخت:
مقدار حداقل تعداد سفارش: 5 عدد
قیمت: negotiable
جزئیات بسته بندی: کارتن
زمان تحویل: 20 روز
قابلیت ارائه: 100 عدد در متر
توضیحات محصول جزئیات
نام: لودسل تک نقطه ای آلومینیومی تئوری: سنسور مقاومت
خروجی: سنسور آنالوگ مواد: آلومینیوم
استفاده: سنسور فشار اضافه بار ایمن: 120% FS
برجسته کردن:

لودسل با دقت بالا

,

سلول بارگذاری پیوند تنشی

وزن آلومینیوم تک نقطه لود سل AM006 سنسور بار 30KN

 

 

برنامه های کاربردی:

 

ساخت آلومینیوم با تیر موازی.
چسب سیلیکونی مهر و موم شده، آنودایز سطحی و ضد خوردگی.
ساختار اینترگرال و نصب آسان.
مناسب برای ترازو قیمت گذاری، ترازو پلت فرم و سایر دستگاه های توزین الکترونیکی.

 

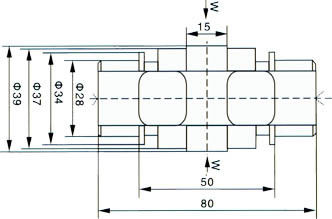
پارامتر فنی:

 

مدل AM006 Temp.Effect بر روی خروجی ± 0.05% FS/10℃
ظرفیت 30 کیلونیوتن خروجی صفر ± 0.1% FS
خطای جامع 0.3 مقاومت ورودی 1030±10Ω
حساسیت خروجی 1.2±0.2mV/V مقاومت خروجی 1000±10Ω
غیر خطی بودن ± 1% FS مقاومت عایق ≥2000MΩ (50V)
تکرارپذیری ± 1% FS ولتاژ تحریک ≤10 ولت
هیسترزیس ± 1% FS عملیات Temp.Range -10--+40℃
خزیدن 0.05 ± (5 دقیقه) %FS ظرفیت اضافه بار 150% FS
Temp.Effect روی صفر ± 0.3% FS/10℃ توصیه میشود استفاده کنید اندازه گیری تنش حفاری

 

سلول تک نقطه ای آلومینیومی 30KN ضد خوردگی 0

 

 

مزیت رقابتی:

 

1. درخواست و ایمیل شما ظرف 12 ساعت پاسخ داده خواهد شد.

2. اگر شما نیاز به توسعه محصول با مشخصات خود دارید، ما مهندسان حرفه ای داریم که آن را کار می کنند.

3. هرگز مشتری را تنها نگذارید، مشکلات را با مشتری حل کنید.

4. مشتری اول، کیفیت اول، خدمات اول!

اطلاعات تماس
Changzhou JRBao Electronic Manufacturing Co,Ltd.
ارسال درخواست خود را به طور مستقیم به ما